Product features
1.Advanced imported manufacturing technology
2.Humanized appearance design
3.Simple operation man machine interface digital system
4.Perfect combination of efficient production capacity and automatic production line
Configuration
Standard accessory configuration | |
Human-Machine Interface | 1group |
Dry pneumatic clutch brake | 1group |
Programmable logic controller(PLC) | 1group |
Electronic cam constriction | 1group |
Inverter control | 1group |
Manual mold height adjustment | 1group |
Electronic travel counter | 1group |
Crankshaft angle indicator | 1group |
Mechanical cross clamping release device | 1group |
Standard accessory configuration | |
Circulating lubrication oil supply system | 1group |
Air source receptacle | 1group |
Maintenance tools and toolboxes | 1group |
Operating instructions and precision Inspection grade sheet | 1group |
Photoelectric protection configuration | 1group |
Oil pressure locking system | 1group |
Misdelivery,no material at the end,air spraying device (simple type) | 1group |
Main motor forward and reverse device | 1group |
Display mode height indicator | 1group |
Specification parameters
Project Model | GF-10G | ||||
Nominal force | 10T | ||||
Trip | 20 | 30 | 40 | 50 | 60 |
Number of trips | 200 ~ 350 | 150 ~ 300 | 150 ~ 260 | 150 ~ 220 | 150 ~ 200 |
Maximum mold height mm | 190 ~ 220 | 185 ~ 215 | 180 ~ 210 | 175 ~ 205 | 170 ~ 200 |
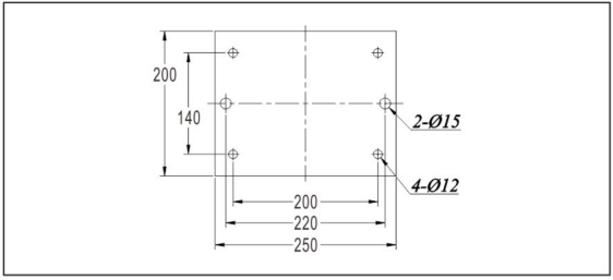
Size of upper table mm | 250x200 | ||||
Installation hole distance of upper table mould | 220 | ||||
Dimension of lower table mm | 430x250x40 (L x W x D) | ||||
Blanking hole size mm | 180x100 | ||||
Main motor power | 1.5 | ||||
Slide adjustment | 30mm | ||||
Mold installation mode | Mould Hanging | ||||
Working air pressure kg / cm² | 5 | ||||
Operation method | Two-handed Operation | ||||
Press color | Standard Off-white | ||||
Fuselage mm (L × W × H) | 1150 x 830 x 1880 | ||||
Press weight | 1050kg | ||||
Specification parameters
Upper workbench

Lower workbench

Dimensions

Product features
1.Advanced imported manufacturing technology
2.Humanized appearance design
3.Simple operation man machine interface digital system
4.Perfect combination of efficient production capacity and automatic production line
Configuration
Standard accessory configuration | |
Human-Machine Interface | 1group |
Dry pneumatic clutch brake | 1group |
Programmable logic controller(PLC) | 1group |
Electronic cam constriction | 1group |
Inverter control | 1group |
Manual mold height adjustment | 1group |
Electronic travel counter | 1group |
Crankshaft angle indicator | 1group |
Mechanical cross clamping release device | 1group |
Standard accessory configuration | |
Circulating lubrication oil supply system | 1group |
Air source receptacle | 1group |
Maintenance tools and toolboxes | 1group |
Operating instructions and precision Inspection grade sheet | 1group |
Photoelectric protection configuration | 1group |
Oil pressure locking system | 1group |
Misdelivery,no material at the end,air spraying device (simple type) | 1group |
Main motor forward and reverse device | 1group |
Display mode height indicator | 1group |
Specification parameters
Project Model | GF-10G | ||||
Nominal force | 10T | ||||
Trip | 20 | 30 | 40 | 50 | 60 |
Number of trips | 200 ~ 350 | 150 ~ 300 | 150 ~ 260 | 150 ~ 220 | 150 ~ 200 |
Maximum mold height mm | 190 ~ 220 | 185 ~ 215 | 180 ~ 210 | 175 ~ 205 | 170 ~ 200 |
Size of upper table mm | 250x200 | ||||
Installation hole distance of upper table mould | 220 | ||||
Dimension of lower table mm | 430x250x40 (L x W x D) | ||||
Blanking hole size mm | 180x100 | ||||
Main motor power | 1.5 | ||||
Slide adjustment | 30mm | ||||
Mold installation mode | Mould Hanging | ||||
Working air pressure kg / cm² | 5 | ||||
Operation method | Two-handed Operation | ||||
Press color | Standard Off-white | ||||
Fuselage mm (L × W × H) | 1150 x 830 x 1880 | ||||
Press weight | 1050kg | ||||
Specification parameters
Upper workbench

Lower workbench

Dimensions

